Anmelden Registrieren
Van Gallery Unterfranke Reperaturen und Anleitungen Elektronik
Erweiterte Suche
Diashow ansehen Diashow ansehen (Vollbild)

Reperaturen und Anleitungen

1. Vorderbrems... ... 4. Ölmessstab 5. Kettenspanner 6. Vorderachse 7. Elektronik 8. Ölüberdruck... 9. Vorförderpu... 10. Düsen ... 54. hydraulik_m...

Zufallsbild

6 P5180035

6 P5180035

Datum: 18.05.2013 Betrachtet: 1250 mal

Elektronik

Datum: 19.07.2011
Besitzer: Christian
Größe: 6 Elemente
19072011349

19072011349

Datum: 19.07.2011
Betrachtungen: 3014
19072011351

19072011351

Datum: 19.07.2011
Betrachtungen: 3285
Stromlaufplan_blanco

Stromlaufplan_blanco

Datum: 19.07.2011
Betrachtungen: 4895
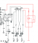
Stromlaufplan_1_Relais

Stromlaufplan_1_Relais

Datum: 20.07.2011
Betrachtungen: 3520
05

05

Datum: 04.06.2003
Betrachtungen: 3172
stellschalder

stellschalder

Datum: 03.11.2011
Betrachtungen: 2336
Seite: 1
Powered by Gallery v2.3